



Geberit Monolith sanitetsmodul (ref. 131.021.SI.5) är en sofistikerad, funktionell och estetisk lösning för installation av vägghängda toaletter. Designad med en framsida av högkvalitativt glas och sidor i borstad aluminium, kombinerar den modern design med avancerad teknik för att passa både nybyggnationer och renoveringar.
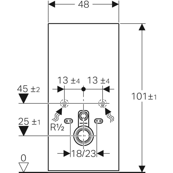
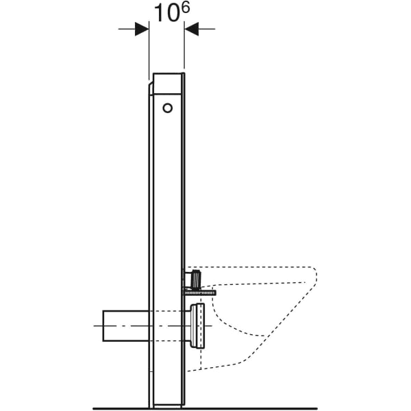
Denna modell med 101 cm höjd är avsedd för användning med vägghängda toaletter, inklusive modeller med bidéfunktion som Geberit AquaClean. Den är idealisk för installationer där avloppet är placerat på väggen på en höjd över 23 cm, vilket möjliggör byte av toaletter med låg synlig cistern utan omfattande murarbeten.
Systemet är självbärande och kan monteras direkt på det färdiga golvet och framför lätta väggar eller murade väggar. Höjden för montering av den keramiska toaletten är justerbar (35 ± 1 cm) och strukturen möjliggör en toleranskompensation på upp till 7 cm, vilket underlättar integration i utrymmen med icke-standardmått.
Den integrerade cisternen är helt isolerad mot kondens, vilket garanterar tyst drift utan droppar. Den har ett system för dubbelspolning på 6/3 liter, med möjlighet att justera den totala volymen till 4,5 eller 6 liter, och bibehåller en delspolning på 3 liter. Dessa egenskaper möjliggör en ansvarsfull vattenanvändning, i enlighet med nuvarande hållbarhetsnormer.
Modulen inkluderar en nedre anslutning för vattenförsörjning, men tillåter även en sidoinmatning med hjälp av valfria tillbehör. Tack vare sin funktionella design är alla anslutningar, inklusive komponenter för vattenförsörjning och avlopp, dolda, vilket ger ett rent och elegant utseende.
Geberit Monolith sanitetsmodul kombinerar samtida design, enkel installation och avancerad funktionalitet. Dess estetik med glasfront och högpresterande egenskaper gör den till det perfekta valet för dem som vill förnya sitt badrum med stil, teknik och effektivitet.